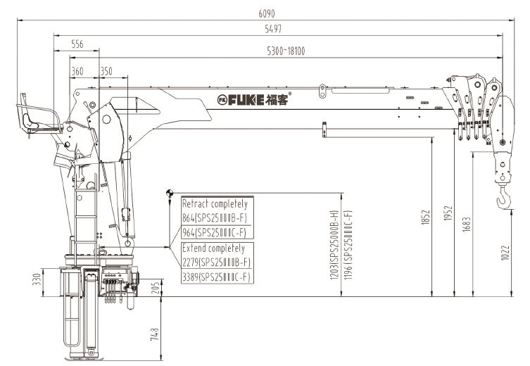
Boom Truck Crane, FK-100E
- Rated lifting moment: 25mt
- Rated lifting capacity: 10000kg (2.5m)
- Max. outreach: 14.0m
- Max. lines of hook: 6
- Slewing angle: 360° (continuous)
- Boom raising angle: 0-75°
- Max. lifting height (from the ground when outriggers are fully extended): 16.1m
- Length of boom (retracted): 5.3m
- Length of boom (fully extended): 14.3m
- Boom sections: 4
- Outrigger span (fully extended): 5.6m
- Rated flow rate: 60-90L/min
- Operating pressure: 31Mpa
- Rated oil tank capacity: 200L
- Crane moment (dynamic): 416.0kN.m 42.4mt
- Torsional moment (dynamic): 26.3kN.m 2.7mt
- Crane weight: 3820/3850kg (Ground/High)
Get in Touch
As a heavy equipment manufacturer in the construction equipment manufacturing industry, FUKE always aims at pushing the limits of our expertise in custom manufacturing heavy-duty material handling and industrial equipment, and helping customers' construction equipment, mining equipment and industrial vehicles to be reliable and efficient. Besides, we also manufacture and supply a full range of heavy equipment components and equipment attachments to the global customers who are looking for high quality parts of construction equipment including bulldozers, excavators, diggers, loaders, and industrial trucks. We at FUKE are dedicated to heavy machinery industry and specialized in providing premium quality construction machines for the global market.
Railroad Equipment
FUKE produces and offers a range of railroad equipment to meet your various application needs, such as tank car, box car and switcher locomotive.
MoreBulldozers
FUKE produces and supplies a variety of bulldozers including crawler dozers and wheel dozers. We also supply bulldozer attachments for your specific construction needs.
MoreExcavators
FUKE is company specialized in designing and manufacturing various types of construction equipment. Our range of excavators includes mini excavator, amphibious excavator, wheel excavator, crawler excavator and railroad excavator.
MoreRoad Rollers
FUKE offers a wide variety of double drum and single drum road rollers to meet customers' various applications needs.
More




